-
安全・品質への取組み
-
企業情報
-
サステナビリティ
配管・機械・電気・計装設計
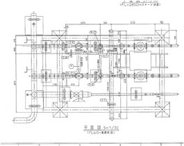
発電設備や各種プラント設備等における配管・機械設計、電気・計装設備の設計
配管・機械設計
各種配管、機械設備の新設・更新・改造等において、系統図作成、設備仕様検討、配置設計等の基本計画から、
支持構造物設計、仮設構造物設計等の詳細設計まで、お客さまに最適な設計をご提供いたします。
〔設計対象〕
- 各種配管
- 各種機械設備の新設・更新・改造
- 支持構造物、鋼構造物、歩廊
〔設計実績〕
| 基本計画・設計 | 工事計画調査、設備基本計画検討、P&ID(系統図)作成、設備仕様検討、機器・配管配置設計、配管応力解析、耐震・耐熱設計等 |
|---|---|
| 詳細・施工設計 | 配管詳細図面作成、支持構造物設計、歩廊設計、仮設構造物設計等 |
◆所有ソフト
- AutoCAD(設計支援ソフト)
- AutoPIPE(配管応力解析ソフト)
- FAP3(鋼構造解析ソフト)
- RC+Sチャート8
(鉄骨鉄筋コンクリート構造計算ソフト) - PRESSEL(圧力容器強度計算ソフト)
電気・計装設計
各種電気・計装設備において、単線結線図計画、室内機器配置計画図、ケーブルトレイ計画図等の基本計画から、
詳細計画図、展開接続図、制御盤仕様検討等の詳細設計まで、お客さまに最適な設計をご提供いたします。
〔設計対象〕
- 各種電気設備(太陽光発電設備、受変電設備、ケーブル配線・トレイ・ピット等)
- 各種計装設備(各種制御システム等)
〔設計実績〕
| 基本計画・設計 | 単線結線図計画、室内機器配置計画図、ケーブルトレイ計画図、電気室内荷重分布計画図、ケーブルピット計画図等 |
|---|---|
| 詳細・施工設計 | 詳細計画図、単線結線図、盤関係リスト、I/Oリスト、システム回路構成機器リスト、ブロックダイアグラム、展開接続図、 制御盤仕様検討、警報表示リスト、監視計器系統図、系統線図、ケーブルトレイ支持要領、基礎要求図、ケーブル仕様明細表等 |

ソリューション